
Apelator/comunicator GSM utilizeaza reteaua de telefonie mobila GSM, indiferent de operator (Vodafone, Orange sau Cosmote). Acesta, daca se conecteaza la un
sistem de alarma (locuinta, automobil) deja existent, apeleaza un numar de telefon, atunci când se declanseaza alarma. Iesirea kit-ului se conecteaza pe
circuitul handsfree-ului, iar cand intrarea kit-ului este pusa la masa, telefonul va efectua un singur apel catre numarul memorat. De asemenea,
apelator/comunicator GSM, printr-un apel telefonic, poate semnaliza producerea unui eveniment (inundatie, incendiu, scurgeri de gaz, caderea tensiunii de
retea, server oprit, instalatia de aer conditionat oprita, generator de curent oprit, încalzirea centrala oprita, intrare în zona interzisa etc.). Functia de
apelare telefonica a apelatorului este identica cu cea a comunicatorului, de aceea în jargonul tehnic, temenul de "apelator telefonic" si cel de "comunicator" sunt identice.
Când sistemul de alarma la care s-a conectat apelator/comunicator GSM, sau când un senzor devine activ pentru ca s-a produs un eveniment (inundatie,
incendiu, scurgeri de gaz, caderea tensiunii de retea, server oprit, instalatia de aer conditionat oprita, generator de curent oprit, încalzirea centrala
oprita, intrare în zona interzisa etc.), apelator/comunicator GSM initiaza un apel telefonic (doar o data) catre numarul de telefon memorat în telefon
(numarul poate fi memorat oricând de catre utilizator, prin actionarea unui push button aflat în circuit), dupa care apelatorul trece în starea anterioara,
adica în asteptare. Apelul ajunge la destinatar, fara ca apelator/comunicator GSM sa ceara confirmare si fara sa se transmita mesaj vocal sau tonuri audio.
Apelul ramâne activ pâna când apelantul respinge apelul sau este întrerupt de retea. Nu este necesar sa se raspunda la apel, ci este suficient ca numarul
sim-ului de la apelator sa fie afisat pe ecran. Afisarea numarului de la apelator/comunicator GSM pe ecranul telefonului destinatar, comunica de fapt starea
sistemului de alarma: alarma declansata sau s-a produs un eveniment. În timp ce apelul este initiat, destinatarul poate anula apelul prin „respingere apel”.
Datorita acestei modalitati (apelare-respingere apel) cheltuielile de comunicatie sunt minime. Apelator/comunicator GSM are nevoie de o cartela SIM valida,
cu credit minim, sau abonament, necesar doar pentru a putea initia apeluri. Apelurile initiate de apelator/comunicator GSM nu consuma credit! Din punct de
vedere al utilitatii, utilizarea apelator/comunicator GSM este utila celor ce doresc sa fie la curent, oriunde si oricând, cu posibilele evenimente de
interes personal.
Pentru a conecta acest circuit cu un Nokia 3310/3410, aveti nevoie de telefon si de handsfree, pentru a putea fi folosit ca apelator/comunicator GSM.
Date tehnice
Circuitul este compatibil doar cu Nokia 3310/3410
Tensiunea de alimentare: de la 3V la 5,5V
Consum de curent redus: 0,5 mA (6 mA cand apeleaza)
Un singur numar se poate programa
Numarul care trebuie apelat poate fi schimbat oricand, din meniul telefonului si actionand un
push button
Un singur apel se initiaza, ori de cate ori intrare este pusa la masa
Conectarea acestui circuit la un telefon mobil nu necesita interventia in telefon, insa este
necesar handsfree
Dimensiune PCB: 5,8 x 3,5 cm
Schema electrica
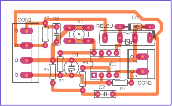
Cablajul imprimant si dispunerea componentelor (traseele sunt vazute prin transparenta)
Componente
R1, R2, R3, R4 = rezistor 10 K
R5 = rezistor 1 K
C1 = condensator electrolitic 10 uF
C2, C3 = condensator multistrat 100 nF
D1 = dioda 1N4148
Releu = releu REED 5V
IC1 = PIC 10F202
K1 = mini push button
PCB: 5,8 x 3,5 cm - Download
Program microcontroler - Download
Modul de conectare
FUNCTIONARE
Componenta de baza a kit-ului Nokia 3310/3410 apelator GSM 2 este microcontrolerul PIC10F202, pe 8 biti, cu memorie program de tip Flash, cu un consum foarte redus. Pinul 5 si 3 al acestuia este configurat ca iesire, iar pinul 4 si 8 este setat ca intrare, unde R1 si R2 (10K) "trage" intrarea la plusul alimentarii. Programul scris în memoria Pic-ului foloseste o bucla care verifica starea intrarii (conector CON2, pin 4) si starea mini push button-ului (pin8). Când intrarea (conector CON2) este pusa la masa de un contact normal deschis, programul iese din bucla si actioneza, prin pinul 5, releul reed, de 5V, iar la rândul lui, releul, prin contactul NO, închide de doua ori scurt (pentru a anula un apel care tocmai soseste) si o data lung (pentru a activa functia de apelare vocala a telefonului), circuitul electric al microfonului de la handsfree. Imediat, prin pinul 3, se genereaza un ton audio, pe acelasi circuit al microfonului de la handsfree, având ca rezultat apelarea numarului de telefon dorit. Programul reintra în bucla doar daca intrarea (CON2) este libera. Totodata, aceeasi bucla a programului verifica daca mini push button-ul este actionat, daca da, atunci prin pinul 3, se genereaza un ton audio identic cu cel generat la apelare, ton care va fi memorat de telefon ca câmp vocal pentru numarul care se doreste a fi apelat. Condensatorul electrolitic C1 (10 uF) decupleaza alimentarea, iar D1 (1N4148) protejeaza microcontrolerul de tensiunea inversa de autoinductie generata de bobina releului.
TESTARE (fara a conecta circuitul cu telefonul mobil)
-dupa plantarea si lipirea componentelor, introduceti PIC 10F202 în soclu.
-conectati un instrument de masura care masoara continuitatea (digital sau analogic, ohmetru sau un buzer), la bornele lui CON1, apoi alimentati circuitul cu o tensiune continua cuprinsa între3V si 5V (se pot folosi trei baterii de 1,5V AAA sau AA). Scurtcircuitati timp de o secunda, bornele lui CON2. Daca montajul functioneaza, instrumentul de masura va indica o continuitate, urmeaza o pauza, apoi o alta indicatie de continuitate, o alta pauza, si o ultima indicatie de continuitate putin mai lunga. Imediat un ton audio va fi generat, acesta putând fi auzit doar daca paralel pe CON1 conectati un traductor piezo. Daca scurtcircuitati iarasi bornele lui CON2, aceasta succesiune se va repeta.
CONECTAREA CIRCUITULUI CU TELEFONUL MOBIL
-Circuitul este compatibil doar cu Nokia 3310 si Nokia 3410. Pentru a ne asigura ca telefonul este compatibil, faceti urmatoarea verificare: conectati handsfree-ul cu telefonul, apoi tineti apasat butonul aflat lânga microfonul handsfree-ului. Daca telefonul este apt, atunci acesta va porni functia de apelare vocala, redând un ton specific urmat de afisarea pe ecran a mesajului ”Vorbiti acum”.
-Circuitul se conecteaza la telefon doar prin handsfree-ul telefonului. Aceasta operatie se face relativ simplu: cu handsfree-ul deconectat de la telefon, deschideti capsula aflata pe cablul handsfree-ului, cea în care se afla microfonul si butonul de „raspunde/închide apel”, si eliminati complet microfonul si butonul, apoi cele doua fire ramase libere se conecteaza la conectorul CON1 al kit-uli. Daca nu mai doriti utilizarea handsfree-ului la alt telefon, atunci puteti elimina de pe cablu, si capsula receptoare, având grija sa izolati între ele, firele ramase libere ale acestuia. Urmeaza sa conectati cablul handsfree-ului cu telefonul.
PROGRAMAREA NUMARULUI DE TELEFON
-din agenda telefonului alegeti numarul dorit, apoi intrati la „OPTIUNI”, unde alegeti „ADAUGA CÂMP VOCAL”, apoi apasati „START”. Imediat ce telefonul afiseaza „VORBITI ACUM”, apasati scurt mini push button-ul K1 al circuitul. Daca operatia a reusit, un mesaj de confirmare va fi afisat pe ecranul telefonului, daca nu, operatia se repeta.
CONECTAREA NOKIA 3310/3410 APELATOR GSM 2 LA UN SISTEM DE ALARMA
- Nokia 3310/3410 apelator GSM 2 se poate conecta la un sistem de alarma sau un senzor oarecare si apeleaza nr. de telefon dorit, atunci când sistemul de alarma sau senzorul respectiv închide un contact normal deschis. Atentie! Legatura între apelator/comunicator GSM si sitemul de alarma sau senzor, trebuie sa fie separata galvanic. Daca nu exista aceasta separare, conectarea apelator/comunicator GSM se va face printr-un releu adaptor, ca in desenul de mai jos.
Copyright © www.constructii-electronice.ro (since 2008)| All Rights Reserved