
Cu acest circuit conectat la un telefon mobil se pot porni si opri de la distanta, prin reteaua GSM, de la orice telefon, doi consumatori electrici. Consumatorii pot fi porniti/opriti independent unul fata de celalalt, si au corespondent pe tastatura telefonului, urmatoarele taste:
tasta 1 -> Rel.1=ON,
tasta 2 -> Rel.2=ON,
tasta 3 -> Rel.1, Rel.2=ON,
tasta 4 -> Rel.1=OFF,
tasta 5 -> Rel.2=OFF,
tasta 6 -> Rel.1, Rel.2=OFF,
tasta 7 + tasta * -> Rel.1=ON (1 secunda),
tasta 8 + tasta 0 -> Rel.2=ON (1 secunda),
tasta 9 + tasta # -> Rel.1, Rel.2=ON (1 secunda).
Acest circuit trebuie conectat cu un telefon mobil (orice model) folosind cablul de handsfree, iar acel telefon trebuie sa aiba o cartela activa doar pentru a primi apeluri. Dupa executarea unei comenzi de pornire sau oprire, circuitul nu confirma utilizatorului aflat la distanta, executarea comenzii.
Date tehnice
Tensiunea de alimentare: 12V DC
Sarcina maxima, comandata prin releu: 7A/220V AC
Se pot actiona ON/OFF si ON (1 secunda), individual sau in grup, 2 consumatori electrici
Circuitul este compatibil cu orice telefon prevazut cu cablu heandsfree
Comenzile sunt executate fara confirmare audio
Dimensiune PCB: 4,2 x 10 cm
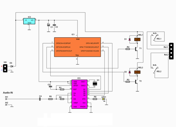
Pentru transmiterea comenzilor catre acest circuit sunt utilizate tonuri DTMF. Astfel, circuitul IC3, MT 8870, care este un receptor si decodor DTMF, detecteaza tonurile DTMF care ajung la intrarea IN AUDIO, de la telefon, apoi le decodifica in format binar. LED1 se aprinde doar atunci cand codul DTMF este receptionat corect. Microcontrolerul IC1, PIC 12F629 sau PIC 12F675, din codul binar de 4 biti al lui IC3, extrage doar codul echivalent al cifrelor 1, 2, 3, 4, 5, 6, 7, 8, 9, 0, *, # si, printr-un algoritm propriu, actioneaza cele doua relee, REL1 si REL2, prevazute cu cate un contact NO. Stabilizatorul IC2 stabilizeaza tensiunea de alimentare la 5V. Dioda D3 protejeaza circuitul la inversarea tensiunii de alimentare.
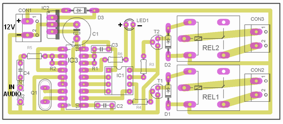
Lipirea componentelor pe cablajul imprimant se va face tinand cont de schema electrica, dispunerea componentelor si instructiunile de asamblare si lipire. Dupa operatia de lipire se va verifica buna functionare a circuitului, astfel: cu IC3 si IC1 scoase din soclu, se alimenteaza circuitul cu 12V DC, si se verifica valoarea tensiunii de alimentare la pinul 18 al lui IC3 si pinul 1 al lui IC1, tensiune care trebuie sa fie 5V DC. Mai departe, se va verifica circuitul celor doua relee, prin punerea succesiva a pinului 6 si 7 al lui IC1, la +5V, operatie ce are ca rezultat anclasarea lui REL 1 si REL 2, daca circuitul lor este functional.
Atentie! Introducerea gresita in soclu al lui IC1 si IC3 duce la distrugerea ireversibila a acestora. Se conecteaza cablul de handsfree la circuit, cablu care va fi modificat asa cum se arata mai jos, iar cu alimentarea deconectata, se introduc IC1 si IC3 in soclu, apoi se alimenteaza circuitul.
Jack-ul handsfree-ului se conecteaza la telefon, urmand sa se seteze, din meniul acelui telefon, nivelul sonor al tastelor la maxim. De pe telefon sa va tasta cifra 1, urmand ca REL 1 sa anclanseze, iar LED1 sa se aprinda doar cat timp este apasata tasta telefonului. La fel, se tasteaza cifra 4, caz in care REL1 declanseaza. Tasta 2 va anclasa REL 2, iar tasta 5 va declansa REL 2. Daca pana aici operatia de verificare decurge identic, atunci circuitul este functional si gata de utilizare.
Schema electrica
Cablajul imprimant si dispunerea componentelor (traseele sunt vazute prin transparenta)
Componente
R1 = rezistor 330 K
R2, R5 = rezistor 100 K
R3, R4 = rezistor 10 K
R6 = rezistor 1,5 K
C1 = condensator 10 uF
C2, C3, C4 = condensator 100 nF
D1, D2, D3 = dioda 1N4148
LED1 = LED (rosu, verde sau galben)
Q1 = quart 3,579545 Mhz
IC1 = PIC 12F629 sau 12F675
IC2 = 7805
IC3 = MT 8870
T1, T2 = 2N3904
REL1, REL2 = releu 12V
CON1, CON2, CON3 = terminal bloc 2 cai
PCB: 4,2 x 10 cm - Download
Program microcontroler - Download
Modificarea cablului heandsfree
Pasul 1 - Luati handsfree-ul telefonului care urmeaza sa fie conectat cu circuitul, identificati casca audio, apoi cu handsfree-ul deconectat de la telefon, deconectati casca audio, prin taierea firului la care este conectata casca.
Pasul 2 - Cu handsfree-ul deconectat de la telefon, cele doua fire se dezizoleaza si se cositoresc, apoi, cu IC1 si IC3 scoase din soclu, se lipesc pe cablajul imprimant al circuitului, la intrarea IN AUDIO.
Circuitul se alimenteaza cu o tensiune de 12V DC bine filtrata, apoi, prin cablul heandsfree, circuitul se conecteaza cu telefonul mobil. Acesta trebuie sa aiba o cartela activa doar pentru a primi apeluri. Din meniul telefonului se seteaza volumul pentru convorbiri, aproape la maxim, cam 90%. Tot din meniul telefonului se seteaza Raspuns automat -> ON. De la un alt telefon mobil sau fix, de oriunde din lume, se apeleaza nr. de telefon al telefonului conectat la circuit, si, dupa cateva secunde, telefonul conectat la circuit va raspunde automat. Acum, pentru a executa o comanda, se tasteaza cifra corespunzatoare comenzii dorite, apoi se inchide apelul. Executia comenzilor nu este confirmata audio utilizatorului aflat la distanta.
Copyright © www.constructii-electronice.ro (since 2008)| All Rights Reserved